
1.Mechanical drafting services, 3D Modeling & Animation, 2d Drafting, Engineering AutoCAD drawings, Mechanical 3D design, Reverse engineering & Technical publications
Our experienced mechanical engineers provide accurate mechanical drawings of any product. We create conceptual drawings from sketches, prototypes or existing products through to patent drawings, manufacturing drawings and marketing materials.
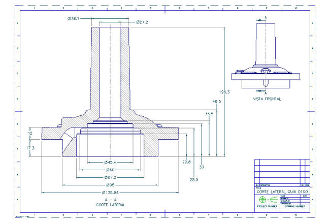
2D Drawings:

3D Model:

2.Conventional machining services
CNC machining services
- --CNC milling
- --CNC turning
Capabilities range from one off custom machining to mass production manufacturing and production line assembly,Portable machining services
All machining services available in metric and imperial standardsmachining services
CNC machining services
- CNC milling
- CNC turning
Capabilities range from one off custom machining to mass production manufacturing and production line assembly,Portable machining services

All machining services available in metric and imperial standards


